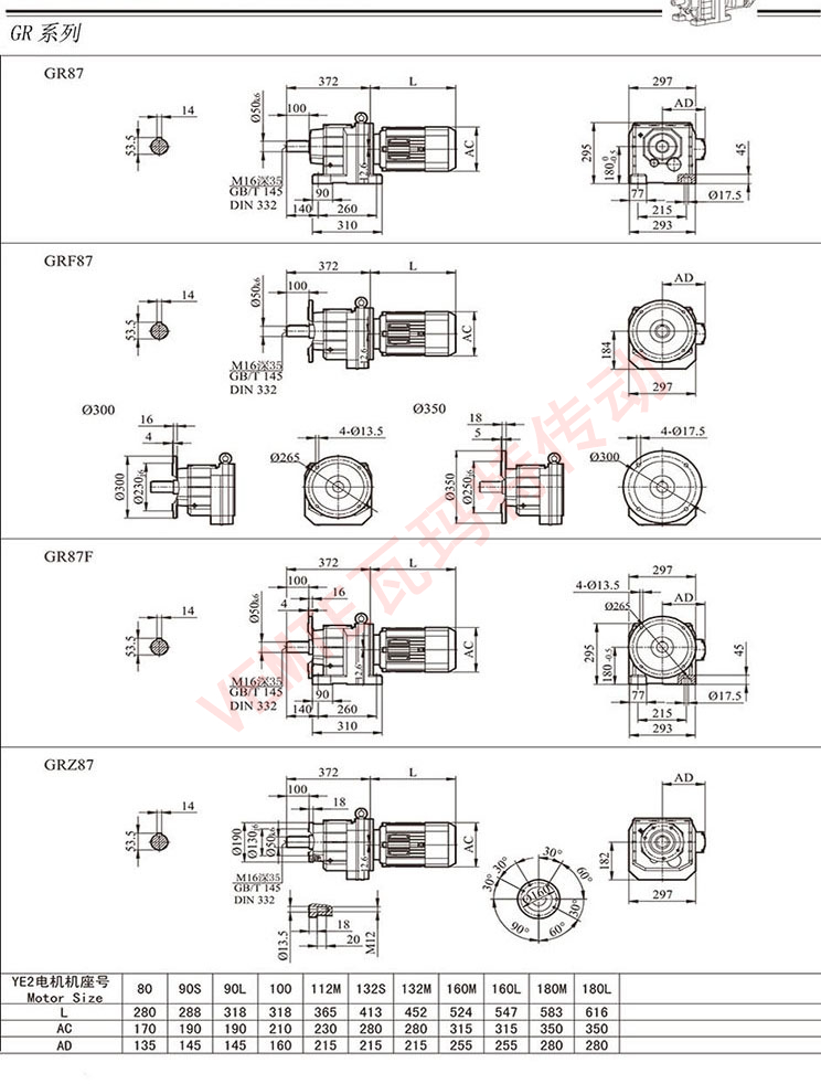
下面是D89減速機(jī)的型號(hào),這是R系列減速機(jī)的一種,不同廠家型號(hào)表示方式有差異,具體型號(hào)可咨詢客服了解
| D89LEN80MD4E | DB89LEN80MD4E | DF89LEN80MD4E |
| D89LEN90LJ4E | DB89LEN90LJ4E | DF89LEN90LJ4E |
| D89LEN90SH4E | DB89LEN90SH4E | DF89LEN90SH4E |
| D89LEN100LH4E | DB89LEN100LH4E | DF89LEN100LH4E |
| D89LEN112MH4E | DB89LEN112MH4E | DF89LEN112MH4E |
| D89LEN132ML4E | DB89LEN132ML4E | DF89LEN132ML4E |
| D89LEN132SJ4E | DB89LEN132SJ4E | DF89LEN132SJ4E |
| D89LEN160LH4E | DB89LEN160LH4E | DF89LEN160LH4E |
| D89LEN160MJ4E | DB89LEN160MJ4E | DF89LEN160MJ4E |
| DZ89LEN80MD4E | DZ89LEN100LH4E | DZ89LEN132SJ4E |
| DZ89LEN90LJ4E | DZ89LEN112MH4E | DZ89LEN160LH4E |
| DZ89LEN90SH4E | DZ89LEN132ML4E | DZ89LEN160MJ4E |
此文關(guān)鍵字:D89減速機(jī)型號(hào)圖紙
















